自5月3日至6月10日投稿期间,本次微观摄影大赛共收到全校118位作者来稿,作品数量总计达161幅,审核通过作品151幅。其中本科生赛道收到22位作者投稿27幅,审核通过25幅。本次投票作品为所有审核通过作品。
投票时间为:6月14日13:00-6月16日 24:00。
每人每天可投票一次。研究生作品每次可投10-20幅。本科生作品每次可投3-5幅。为了保证投票的公平公正,请勿恶意刷票!
研究生投票通道: https://tp.wjx.top/vm/epPoWfo.aspx
本科生投票通道:https://tp.wjx.top/vm/YOHgItU.aspx
微观摄影大赛研究生作品展示
左图为参赛图,右图为原图。欢迎转发投票链接!

【编号1 作品名称:忍冬 作者:刘何子祺 】仪器:扫描电镜Sigma 300
作品介绍:忍冬,又名金银花、金银藤。花性甘寒,功能清热解毒、消炎退肿,对细菌性痢疾和各种化脓性疾病都有效。忍冬耐干旱、耐严寒、耐水涝,且对土壤要求不严格,茎蔓落地即可生根,因此有自强不息,坚韧不拔的含义,送给各位学子,希望大家能在科研路上不忘初心奋勇前行。本样品为忍冬花蕊,不导电且含水量大,扫描电镜拍摄极易产生放电现象,为尽量保持原貌未做喷金或喷碳处理,仅通过调节电镜参数获得清晰的图像。

【编号2作品名称:千里江山图 作者:冯意】仪器:扫描电镜 Sigma 300
作品介绍:样品是经过强力的挤压变形制备的用于电催化产氢的一体化铁电极材料,样品制备过程中需要精确调控机械外力施加的大小及角度。图片拍摄需要对将样品转好角度,对扫描电镜的景深要求较高。经过上色后图片很像中国十大传世名画之一的北宋天才画家王希孟所作千里江山图,材料经过挤压得到的纹理很像层峦叠嶂的山峰沟壑,同时材料下面的背底图像也很像一池湖水,同时水中似有似无的有一些山峦的倒影,右上角还有一只飞鸟。

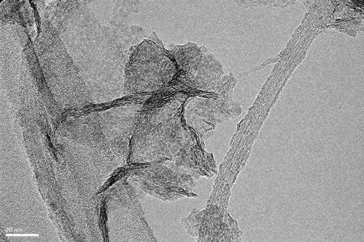
【编号3作品名称:原子编织世界 作者:牛士玉、吴函】仪器:透射电镜JEM-ARM200F
作品介绍:高熵材料具有优异的力学和理化性能,作为极端环境服役结构材料及替代贵金属的催化材料表现出极大的优势和潜力。参赛作品为(VNbTaMoW)C高熵碳化物表面生长的(VNbTaMoW)O高熵氧化物纳米阵列的高角度环形暗场图。由于该高熵氧化物晶体属P21212(18),拍摄过程中晶带轴转向调整较为困难,作品呈现出如此清晰的原子柱排列十分难得。对不同排列的原子柱进行渲染后,图片呈现清晰的纹理,如谷粒编织的谷穗,又如丝线编织的衣料,令人不禁感叹,原来这大千世界归根到底是由这一个个原子编织而来。

【编号4作品名称:生如夏花 作者:范夏月】仪器:扫描电镜S-4800
作品介绍:作品是由扫描电子显微镜S-4800拍摄的一张样品表面微观形貌图。该样品是金属锌在一定的电流下循环沉积一定时间后形成的形如“花”般的表面形貌,由于沉积过程一直在继续,“花”的生长也可视为一个生生不息的过程。该作品选用撞色波普风格,采用高纯度颜色带来的视觉迷幻效果,体现朵朵花儿张扬而旺盛的生命力,名字取自“生如夏花之绚烂”之意,寓意中国青年朝气蓬勃,领航新时代!样品制备时需要控制沉积的电流和时间,表征时需要去除样品表面沉积溶液中的杂质,保证导电性,同时保持样品干燥和不被氧化,样品本身形貌带来的不平整和高度差需要选取合适的拍摄范围,调整对焦和像散。

【编号5作品名称:青青子衿,悠悠我锌 作者:刘晓瑞】仪器:扫描电镜S-4800
作品介绍:在一定电压条件下沉积一定时间后的金属锌的形貌,随着时间的延长,金属锌在逐渐生长,在达到一定时间后形成该树枝状形貌。因为电流与时间的相遇,金属锌有了自己的生命,叶叶锌锌,舒卷有馀情。我们为之着上青色衣裳、点上金色流光,予以美好向往之意。正如吾辈青年,当为青青子衿之向往,怀有悠悠我心之赤诚。借此图祝愿每一位追梦人,都能够循梦而行、向阳而生!

【编号6 作品名称:吞噬星空 作者:郭斯源】仪器:扫描电镜S-4800
作品介绍:材料为三维碳结构与纳米铜颗粒的复合材料,材料通过自模板法原位CVD法制得。图片为材料微观形貌的SEM照片,通过S-4800扫描电镜拍摄。图片经过锐化及色谱上色处理,将材料的微观形貌想象为科幻世界中星球大战的浩瀚场景。纳米铜颗粒像宇宙中的星球,三维碳网络像是一张吞噬星空的巨网,呈现出想象中吞噬星空的场面。

【编号7作品名称:秋菊 作者:胡瑾】仪器:扫描电镜 S-4800
作品介绍:采用水热法制备了泡沫镍上负载的Zn-Co-S用于电催化水分解。样品在制备过程中,需要通过调节温度和时间,寻找最佳的制备参数以达到最高的电催化性能。它的新颖性在于研究了Zn的掺杂对电催化剂形貌和性能的影响。世间万物,息息相关。如果不看下面的标尺,以为这就是一朵完美绽放的菊花。不经感叹,在微观的世界,也存在着这么精致的花朵。它们在自己的小天地下静静的绽放。

【编号8作品名称:胭脂海棠闹春浓 作者:眭思密】仪器:透射电镜JEM-2100F
作品介绍:样品为溶剂热法制备的MoS2/CNTs复合薄膜。纳米花状的MoS2附着于CNTs外壁,单壁CNTs管束交织形成网络,层层网络重叠形成薄膜。 “海棠不惜胭脂色,独立蒙蒙细雨中”,图片好似一朵盛开在两个枝杈间的海棠花,像胭脂带妆的少女,是青春、活力、娇美的象征。作为报春的使者,她让大地回春、春意渐浓,从图片中可以看出其蓬勃的生命力。

【编号9作品名称:棉花糖 作者:吴函 】仪器:扫描电镜JSM-7800F
作品介绍:合成的高熵钙钛矿氢氧化物立方块-用JSM-7800F扫描电子显微镜拍摄,然后用Photoshop对立方块进行上色美化处理。

【编号10 作品名称:星河光尘 作者:唐玉素 】仪器:扫描电镜JSM-7800F
作品介绍:氧化锆样品为大小不一的微米球分布在液体导电胶基底,极似浩瀚宇宙中飘洒的星河光尘,充满了神秘感。随着科学的进步,人类一点一点揭开了宇宙的奥秘,中国在航天事业上更是全球顶级水平,不久前神舟十四号载人飞船发射成功,宇航员们将继续追梦太空,探索宇宙,祝愿他们能圆满完成任务,平安回家。

【编号11作品名称:喜鹊登高 作者:周康康、杨钧凯】仪器:透射电镜JEM-2100 plus
作品介绍:在一次TEM测试中偶然所发现,整张图片宛如一幅未加晕染的水墨画,神态自然,浑然天成。图中一只栩栩如生的喜鹊登上高山眺望远方,寓意着莘莘学子对科学高峰的攀登与探索精神。

【编号12作品名称:网格的力量 作者:朱伟】仪器:透射电镜JEM-ARM200F
作品介绍:此图是锂离子电池LiMn2O4正极材料的原子结构图,使用球差矫正扫描透射电镜拍摄。此图为LiMn2O4在[011]取向轴的原子结构,在拍摄的过程中需要将样品调整到特定的晶体取向,拍摄难度大.织就一张网,布局万千格,连起人民心。

【编号13 作品名称:夏日漱石 作者:高永康、黄俊伟 】仪器:扫描电镜sigma 300
作品介绍:原图为AZ31B镁合金焊缝熔合线附近的柱状晶与母材的SEM图片。柱状晶如同波光粼粼的海浪,母材宛如金色沙滩,白色氧化物则组成了海滩上的石头。夏日来临,海边漫步,吹着海风,踩着沙滩,无忧无虑,将所有的烦恼抛之脑后,尽情享受夏日的美好。

【编号14 作品名称:碳纳米管森林 作者:张睿、李乐 】仪器:扫描电镜sigma 300
作品介绍:单壁碳纳米管垂直阵列具有巨大的比表面积、优异的导电性、良好的化学稳定性以及有序的结构,被认为是电极材料的理想候选材料。本实验开发了新型纳米颗粒催化剂,可以在二维、三维基底上负载催化剂,并能够利用CVD法在基底上合成碳纳米管阵列材料,具有普适性,便于进行材料的宏量制备。

【编号15 作品名称:星空 作者:赵君】仪器:透射电镜JEM-2100F
作品介绍:材料为氢氧化钴负载钌复合材料,照片采用透射电子显微镜衍射模式拍摄。衍射照片的拍摄难度主要是晶带轴调试选取晶面,这张照片是一号选区光阑下大范围选区拍摄,后期经过DigitalMicrograph软件处理,像光影中的星空,所以这个作品的名字是星空。

【编号16 作品名称:繁花似锦 作者:刘汉鹏】仪器:扫描电镜S-4800
作品介绍:本作品为SEM S-4800所拍摄的CuS花状结构,该结构是由水热法制备纳米片层结构过程中堆叠聚集而成。经上色处理后突出主题为《繁花似锦》,又逢毕业季,借此祝愿各位毕业同学花开艳丽,前程似锦,未来可期!

【编号17 作品名称:夏日海滩 作者:刘汉鹏】仪器:扫描电镜S-4800
作品介绍:本作品为导电玻璃表面所生长的细胞部分形貌图。将材料与细胞进行共培养后,再经固定及脱水处理,能够借助S-4800评估材料的细胞毒性。本作品所突出的主题为《夏日海滩》,炎炎夏日,希望疫情早日结束,我们一起畅想海滩狂欢。

【编号18作品名称:雪山消融 作者:邵家骏】仪器:扫描电镜 Sigma 300
作品介绍:全球变暖,寂寥的雪原开始消融,冰峰林立的雪山露出了它掩盖在洁白下的陡峭与崎岖。倘若人类不对资源的开采和使用加以节制,在未来的云岭冰峰处,还能否见到一朵典雅的雪莲?

【编号19作品名称:腐蚀的“心”作者:祝钰、毛英畅】仪器:超景深三维数码显微镜VHX-2000C
作品介绍:样品为船舶用5083铝合金模拟海水浪花飞溅腐蚀58天后的蚀坑形貌。采用3D深度合成拍摄,叠加高度色彩后,合金表面突出渐变心形蚀坑。点蚀坑常见,而心形蚀坑不常有,偶然发现的“爱心”就好像转角处不期而遇的爱情。钢筋铁骨,亦贪恋你潮水般的轻抚。就算海水侵蚀我的身体,我也依然爱你。

【编号20作品名称:花开好了 作者:彭远祎】仪器:扫描电镜S-4800
作品介绍:对于多相,高合金化的航空航天用Ni3Al基高温合金,其界面区由于错配度高、元素偏析等原因成为合金中的不稳定区域,在时效过程中,析出相易在此处析出并呈现形貌,尺寸的演变。本作品采用材料学院S4800冷场发射扫描电镜进行拍摄,由于界面区易腐蚀,所以腐蚀时间的把握是呈现本作品的主要难点。界面区析出相随着时效时间的延长从图中颗粒状生长为短棒状,最终呈现花状,恰似一个种子破土发芽,生长开花的过程,故作品称之为“花开好了”。

【编号21作品名称:抗 疫 作者:扈伟强】仪器:扫描电镜S-4800
作品介绍:先水热合成掺杂氧化钨,在氢气还原后得到特殊形貌。水热合成条件十分复杂,制样难度大。制得粉体应用广泛,如光催化等功能材料领域和粉末冶金等结构材料领域。红色 “海胆”组织形同新冠病毒,蓝色不规则状组织如同人体内的免疫细胞,免疫细胞大军齐心协力,与新冠病毒大战。以小观大,从微观世界到现实生活,这与材料学院、学校、天津、乃至全国的抗疫斗争交相辉映、相得益彰。

【编号22作品名称:两军对垒 作者:李士成】仪器:透射电镜JEM-2100F
作品介绍:Ni3Al基合金中,γ′相与γ基体的界面。随着先进航空发动机推力的不断提升,燃烧室的工作温度不断增加,发动机的结构日趋复杂,重量问题也日益突出。因此,研发承温能力更好、密度更低、比强度较高的新型高温结构材料,用以部分替代航空发动机热端部件用 Ni基高温合金,已成为亟需解决的问题。近年来,具有更高γ′相体积分数且不含贵合金元素的 Ni3Al基合金,因其承温能力可达 1100 ℃以上,同时密度较低(7.5 ~ 8.0 g/cm3),被认为是可应用于先进航空发动机的新一代备选高温结构材料之一。

【编号23作品名称:累累绿果 作者:曹利生、陈昊】仪器:扫描电镜S-4800
作品介绍:高性能正极材料的开发成为锌离子电池发展的关键。锰基材料具有低成本、资源丰富、且对环境友好而受到了大量关注并被广泛研究探讨。合成新型的氧化锰微米球,由于该材料含有四价和二价锰,是一种新型锰基正极材料,十分有利于电化学性能的改善。样品存在一定的景深,比较难拍照。

【编号24作品名称:花生 作者:闫思炜、白易明】仪器:扫描电镜sigma 300
作品介绍:制备花生状合金催化剂用于电催化水分解产氢;样品在制备过程中需要精细调控核与壳生长的时间,才能得到界限清晰的花生结构。样品新颖性在于通过置换反应得到空腔结构。图片拍照难度点在于(1)样品起伏落差较大,需要较高的立体感呈现;(2)须使用SE2镜头在较高倍数下进行对焦拍摄;(3)难以拍到正面朝向且完全暴露的花生结构。花生也被称为落花生、地果、唐人豆,从外面看是土黄色的,既像葫芦,又像阿拉伯数字“8”。花生剥开后,只见花生米宝宝“穿”着一件“粉红”的“睡衣”,躺在半圆的壳里“睡觉”呢!

【编号25作品名称:科学是一尊冰山美人 作者:倪昆】仪器:扫描电镜JSM-7800F
作品介绍:纳米孪晶铜镀层。制备于其他材料表面以实现低温连接,可应用于电子封装领域。图中为镀层截面。样品由电沉积法制备,通过调整电沉积参数及电沉积液成分得到纳米尺度且平行于衬底表面的孪晶片层。随后将镀层剥离并进行扫描电子显微镜观察,看到其总体形貌好似浮于碧浪之上的雄伟冰川,巍峨耸立,气势磅礴。再为其附上冰川的灰和海洋与天空的深蓝,旨在使整体意象更加生动。

【编号26作品名称:满天焰火 作者:李士成】仪器:扫描电镜S-4800
作品介绍:Ni3Al基合金由于金相腐蚀不成功出现的奇特形貌。随着先进航空发动机推力的不断提升,燃烧室的工作温度不断增加,发动机的结构日趋复杂,重量问题也日益突出。因此,研发承温能力更好、密度更低、比强度较高的新型高温结构材料,用以部分替代航空发动机热端部件用 Ni基高温合金,已成为亟需解决的问题。近年来,具有更高γ′相体积分数且不含贵合金元素的 Ni3Al基合金,因其承温能力可达 1100 ℃以上,同时密度较低(7.5 ~ 8.0 g/cm3),被认为是可应用于先进航空发动机的新一代备选高温结构材料之一。

【编号27作品名称:葡萄油画 作者:李亚静、梁景哲】仪器:扫描电镜 JSM-7800F
作品介绍:将水乙醇氨水混合搅拌,随后加入TEOS水解生成SiO2,再直接加入盐酸多巴胺在SiO2表面原位聚合生成聚多巴胺(PDA),抽滤干燥。随后将前驱体在800℃热解后用HF刻蚀SiO2得到球壳。制备过程需要多步反应,实验较为复杂。经过着色处理,在以葡萄为主体的图片中,赋予其油画的色彩。

【编号28作品名称:相互交织的世界 作者:李俊】仪器:扫描电镜 Sigma 300
作品介绍:该纳米多孔金薄膜是利用磁控溅射在SiO2基底上溅射得到Au-Ge前驱体薄膜后,再用H2O2对Ge进行刻蚀后得到的。该制备纳米多孔金的方法与传统的脱合金法不同,制备过程不涉及强酸等危险性的溶剂,而且可以避免例如脱合金后残余活性组分的干扰,从而能制备得到纯度很高的纳米多孔金。由于该纳米多孔金是较薄的薄膜样品,且薄膜沉积在SiO2基底上,故在拍摄过程中极易出现在某一部位聚焦时调不清楚的情况,另外在某一部位长时间调焦时容易被打黑。

【编号29 作品名称:深海贝壳 作者:王子瑄 】仪器:激光扫描共聚焦显微镜Nikon Air+
作品介绍:多肽因其高生物相容性被广泛用作药物递送的载体。本作品使用的多肽可以在递送基因药物的同时在癌细胞表面与内部选择性的形成膜来杀死癌细胞。图片为经过多肽处理,溶酶体染色后的癌细胞图片。因为本作品设计的多肽具有特殊的成膜和在癌细胞溶酶体内分解的性质,导致其在癌细胞内观察到溶酶体溶胀现象,这是需要控制多肽的序列、浓度以及反应时间等多种条件得到的创新性结果。本作品通过材料学院的激光扫描共聚焦显微镜拍摄。本作品未添加任和艺术处理。

【编号30作品名称:七 彩 作者:王禹轩、董智】仪器:扫描电镜 S-4800
作品介绍:本样品是通过1300度高温快速灼烧1分钟的纯钼,作为制备氧化物弥散强化合金(ODS)的第二相弥散体。ODS由于其优异的抗蠕变性能、良好的高温组织稳定性和良好的抗辐照性能,其常被应用于高温涡轮发动机叶片以及换热器管道等应用中。艺术处理:通过本方法处理纯钼展现出规整的微观结构,以此为基础通过后期处理试图描绘一幅彩虹色宝石原石的照片。通过不同颜色配色及灰色底色的映衬展现出整体的色彩丰富度。

【编号31 作品名称:三维多孔碳材料 作者:杨浩然】仪器:扫描电镜Sigma 300
作品介绍:样品材料为三维多孔碳材料,样品以氯化钠为结构模板,葡萄糖为碳源,经过冻干和热处理后获得碳包覆氯化钠颗粒结构,水洗去除氯化钠模板后,获得完美的三维多孔结构。新颖性在于以氯化钠为模板,后续可以水洗去除,可以应用于能源转换与存储领域如锂电池纳电池及电催化方向。

【编号32作品名称:热恋男女 作者:朱婉】仪器:扫描电镜 JSM-7800F
作品介绍:样品为激光选区烧结FeCrAl基铁素体钢,是第四代核裂变反应堆包壳材料的首要候选结构材料。此图为EBSD晶粒图,扫描倍数200X,步长0.6 μm/s。图片呈现热恋男女面对面相拥的状态,十分巧妙。对原图大块红色进行了简单分割,使男生部分图像更为清晰。希望与大家一起分享这样有趣的实验图片。

【编号33作品名称:高熵钙钛矿氧化物在原子级别下的元素分布 作者:吴函 】仪器:透射电镜JEM-F200
作品介绍:利用快速焦耳加热方式合成的高熵钙钛矿氧化物,利用铜网-微栅制样在F200-透射电子显微镜进行原子级别的元素mapping测试。STEM图片经过GM3软件FFT清晰化处理,中间大图是所有图片经过透明度处理叠加而成。 在非球差电镜的STEM下拍摄原子相并做mapping。选择合适的样品-晶界性良好,厚度适中,且稳定的样品,采用双倾杆转正带轴,经过精细调节拍摄STEM图片并做mapping。

【编号34作品名称:七彩糖果 作者:金丽果】仪器:扫描电镜Sigma 300
作品介绍:材料是红细胞。红细胞主要用于材料的生物毒性检测。样品制备过程主要是红细胞的获取、固定和脱水。红细胞是从兔子血液中提取的,将全血用PBS离心洗涤3次,底部沉淀即为红细胞。加入2.5%戊二醛固定4小时,用PBS离心洗涤3次,然后分别用30%、50%、70%、85%、95%、100%乙醇离心脱水,将样品滴到硅片上自然风干。由于红细胞导电性较差,进行100s的喷金,最后把硅片贴到样品台用于扫描电子显微镜拍摄。童话不仅存在梦幻电影里,也许存在我们流淌的血液里。寓意发现自身存在的美,找寻属于自己的人生意义。

【编号35作品名称:山茶花之恋 作者:金丽果、李章溢】仪器:扫描电镜Sigma 300
作品介绍:材料是羟基氧化铁和羟基氧化钯的复合纳米片。该纳米花样品是脱合金预处理的纳米多孔条带在1 mol/L的KOH中经过120小时的恒电流稳定性处理生成。析氢反应催化剂的开发对氢经济的实现至关重要,传统涂敷或碳纸生长的纳米片不利于长时间析氢。在纳米多孔上生长的纳米片能够在长时间下保持良好的性能。该样品制备新颖性主要是析氢过程可分为两个阶段,第一阶段由纳米多孔结构提供活性位点,第二阶段由纳米花提供活性位点。在翠绿色叶子的掩衬之下,小心翼翼的绽放出一抹花红。寓意保持一份纯真,终将找到属于自己不被轻视的爱情。

【编号36作品名称:小蜜蜂的花房 作者:金丽果】仪器:透射电镜JEM-2100F
作品介绍:材料是二硫化钼纳米花。该样品主要用于生物医用、润滑剂和抗磨剂等。用水热法在220℃反应24 h制备花状纳米级二硫化钼样品,水热反应需要严格控制酸度、反应时间以及高温高压的条件,因为这会影响纳米花的成核效果。将水热反应制备得到的沉淀进行多次离心水洗,最后冷冻干燥。取适量的样品超声溶于乙醇中,然后滴在铜网上干燥进行透射电镜观察。花瓣丛中藏匿着一只贪睡的小蜜蜂。寓意生活不仅需要收获,也需要及时行乐。

【编号37作品名称:银杏熟了 作者:金丽果】仪器:扫描电镜S-4800
作品介绍:材料是金黄色葡萄球菌。样品制备过程主要是金黄色葡萄球菌的培养、固定和脱水。金黄色葡萄球菌由实验室培养,加入2.5%戊二醛固定4小时,用PBS离心洗涤3次,然后分别用不同浓度的乙醇离心脱水,将样品滴到硅片上自然风干。由于金黄色葡萄球菌导电性较差,进行100 s的喷金,最后把硅片贴到样品台用于扫描电子显微镜拍摄。寓意着丰收和收获。

【编号38 作品名称:3D铝纳米结构 作者:赵君 】仪器:扫描电镜sigma 300
作品介绍:样品是金属铝纳米颗粒,一个较大的铝纳米可以上附着多个较小的铝纳米颗粒;在液氮环境中,利用毫秒激光器烧蚀金属铝片的表面;样品拍摄难度:毫秒激光器能量较大,会将铝片表面烧蚀出空洞,样品在空洞中,因此需要首先找到空洞才可以找到样品进行拍摄。

【编号39作品名称:荒漠野花 作者:钟史放】仪器:扫描电镜Sigma 300
作品介绍:图为X65焊接接头腐蚀疲劳断口形貌。样品制备:在含H2S的环境中,对X65焊接接头进行腐蚀疲劳试验,疲劳断口中有疲劳辉纹和腐蚀产物,既有腐蚀形貌特征也有疲劳断口典型特征,是典型的腐蚀疲劳断口形貌。荒野的花,不似玫瑰香艳,不似百合清香,但它敢与风沙为伴,直面野兽的觊觎;纵使无人为它而来,但它依旧倔强地立于大漠之上,向天空呐喊、与大地歌颂、为自己绽放!

【编号40作品名称:一枝寒梅 作者:钟史放】仪器:扫描电镜Sigma 300
作品介绍:图为X65焊接接头疲劳裂纹尖端形貌。X65焊接接头经疲劳加载后,尖端处的裂纹受焊缝中的针状铁素体的阻碍作用呈分叉生长,表明针状铁素体具有较高疲劳裂纹阻力。一枝寒梅冲破数九隆冬,在寂寥的冬日映出了一抹艳丽的红,纵使寂然绽开于“桃未芳菲杏未红”的时节中,依旧敢与风霜相较、一笑东风!

【编号41作品名称:蜘蛛侠 作者:赵而玲】仪器:扫描电镜S-4800
作品介绍:材料为Si/ZnSe。本产品原图显示是在Si片上溅射Ag纳米颗粒,然后催化生长一维材料ZnSe。ZnSe是一种优异的光催化材料,具有合适的导带价带位置促进光催化水分解产氢,对于解决能源问题具有重要的意义。在CVD生长的过程中由于进气口密封性不严,导致无法获得目标材料。但在扫描电镜有了“蜘蛛侠”的意外收获!蜘蛛侠有着坚持不懈,永不放弃的,持之以恒,无坚不摧的精神品质。有诗为证:日结一尺网,知吐几尺丝。百虫为尔食,九腹常苦饥。科研的道路上从来都不是一帆风顺的,更多的是枯燥和失败,但正是因为科研工作者有着如蜘蛛侠一样兢兢业业、不懈奋斗的精神,中国的科研事业才能蒸蒸日上、蓬勃发展。

【编号42作品名称:氧化铟纳米球 作者:曹晏珲】仪器:扫描电镜JSM-7800F
作品介绍:材料为In2O3纳米球,主要应用于电化学氧催化反应以及锌空气电池器件中。In2O3纳米球的具体制备过程为:将一定质量的四水合硝酸铟、尿素以及十二烷基硫酸钠溶解在体积比为1:1的N,N-二甲基甲酰胺与去离子水的混合溶液中,搅拌溶解后,在100 ℃水热24小时,反应结束冷却后用乙醇离心清洗数次,烘干后转至马弗炉中均匀升温加热,保温一定时间后,冷却至室温,得到黄色In2O3粉末。

【编号43作品名称:水下世界 作者:肖立阳】仪器:扫描电镜S-4800
作品介绍:材料为钒酸铜,应用于光电催化及锂离子电池领域。该样品通过水热法合成,通过控制原料比例及反应温度可以获得不同形貌的钒酸铜,该样品形貌本应为纳米片堆垛成的纳米花球状,然而在拍摄的过程中发现其中含有一些纳米棒插在纳米花之间。

参赛图

原图
【编号44作品名称:暗流涌动 作者:胡章平】仪器:扫描电镜Sigma 300
作品介绍:增材制造316L/CuCrZr功能梯度材料。作为面向等离子体的组件,316L/CuCrZr功能梯度材料可用于国际热核聚变实验堆的第一壁材料。因316L和CuCrZr合金物化性质差异大,其高质量EBSD界面试样的获得难度极大,无法通过电解和振动抛光等手段进行制备。因此,本试样采用离子抛光(1061 SEM Mill)并优化参数,包括电压、电流、抛光角度和位置等。在配备EBSD的扫描电子显微镜(sigma 300)测试过程中,材料界面处存在微纳晶粒尺寸梯度演变(纳米晶:~200nm,微米晶:~100μm)和物相演变。这种独特性结构的高质量展现对EBSD测试参数要求十分严格,需要对其精细调整和优化。综上,通过优化离子抛光参数和测试参数,成功获得了具有晶粒尺寸梯度结构316L/CuCrZr的高质量EBSD图片。

【编号45作品名称:五彩池 作者:白翔仁】仪器:透射电镜JEM-F200
作品介绍:材料为纳米颗粒增强铝基复合材料晶粒的STEM图片。材料呈现纳米晶组织,晶粒约为200 nm左右。样品通过打磨、Gatan离子减薄仪减薄,得到块体透射样品,通过拍摄参数,得出取向衬度良好、分辨率高的微观组织图片。经过处理的作品名为《五彩池》,通过色谱上色及水波微处理,将不同程度的晶粒构建为水底卵石的意象。阳光照射下,水波微微荡漾,掩映着水底的卵石时隐时现,像传说中的五彩池一般。

【编号46作品名称:白珊瑚的深海家园 作者:白翔仁】仪器:扫描电镜S-4800
作品介绍:材料为原位合成氧化镁纳米颗粒团簇。纳米氧化镁颗粒单个粒径约为5-10nm,成团簇状分布,单个团簇粒径为300nm左右,附着在基底上。纳米颗粒导电性差,粒径细小,通过调整拍摄参数,得到衬度良好、分辨率高的团聚形貌图。经过上色处理的作品名为《白珊瑚的深海家园》,将图片灰度调整为绿度,将纳米氧化镁图案侧构建为海底礁石上分布的白珊瑚球的意象。幽暗的海底,一块礁石上,一个个白色的珊瑚球附着在上面,融入静谧的海底世界中。

【编号47作品名称:疲劳裂纹 作者:苏沫林】仪器:扫描电镜 Sigma 300
作品介绍:316H奥氏体不锈钢因其出色的高温性能以及塑韧性适用于核电快堆领域,但在服役过程中难免会因外部载荷而引发疲劳断裂。本作品通过拉-拉疲劳实验,在含缺口的316H奥氏体不锈钢试样中处引发尺寸小于1 mm的短裂纹,通过常规电解抛光对其进行EBSD表征,标定率(含缺口+裂纹)为98.1%,裂纹路径及周边无划痕、氧化物等抛光缺陷。在外界载荷等条件下,易在薄弱区引发局部损伤,当损伤累积到一定程度后而引起裂纹或使裂纹进一步扩展直到完全断裂失效的现象称为疲劳。该术语既适用于金属材料,也适用于人类:金属材料可通过自身的微观组织,如晶界等,阻碍裂纹扩展,进而延缓失效寿命;人类除了内部因素外,还会通过亲情、友情等外部因素进一步修复损伤,避免最终的失效。科研中,我们会不可避免的遇到外界带来的压力,希望科研人员具有马氏体的强度,奥氏体的塑韧性,不忘初心砥砺前行。

【编号48作品名称:别踩了这朵花 作者:周雪、肖琳】仪器:扫描电镜 S-4800
作品介绍:图片为金属AlCoMn前驱体条带脱合金后形成的纳米片状结构的扫描电子显微镜图像。该纳米花样品是前驱体条带在室温条件下1 M KOH溶液中脱合金12 h后生成的。纳米花状结构具有更大的比表面积,可以暴露更多活性位点,从而有利于提高催化剂电化学催化性能。且该纳米片状结构具有良好的结构稳定性,在长时间测试后仍可以保持纳米花的形貌。《别踩了这朵花》——世界上没有一朵花不鲜艳,没有一朵花不会盛开。

【编号49作品名称:群星璀璨 作者:史子峥】仪器:透射电镜JEM-F200
作品介绍:《群星璀璨》这幅作品是采用F200电镜拍摄的HADDF-STEM的低倍Ag金属团簇分布图。Ag金属团簇纳米团簇主要应用于催化,荧光标记和杀菌等方面.Ag由于其本身内聚能很大,导致合成均匀分散的Ag团簇。本张图片创造性的采用EDM法快速合成均匀分散的Ag团簇。由于金属团簇的粒径很小,在HADDF-STEM模式下,很难看到其团簇分布情况,因此在拍照过程中调节亮度,对比度,焦距至关重要。由于其分布像满天星,选择了为其叠加宇宙的背景,来凸显群星璀璨的画面。

【编号50作品名称:星耀 作者:史子峥】仪器:扫描电镜S-4800
作品介绍:《星耀》这幅作品是采用S-4800扫描电镜拍摄EDM法合成的Cu微米球。Cu微球因其优良的导电性和延展性,经常被用于电催化。但是其比表面积小,采用EDM法合成,其金属液滴在冷凝过程快速冷凝收缩,导致表面不平整,有裂纹,从而得到高活性Cu微米球。由于Cu微球表面有一定的氧化,所以为了避免放电现象,选取合适的工作电压和工作距离对于拍照至关重要。这张图片看起来就像星球表面,坑坑洼洼的样子。后期为每个球添加了星球的颜色,采用了宇宙的背景图来衬托星耀画面。

【编号51作品名称:势如破竹 作者:张阳】仪器:扫描电镜Sigma 300
作品介绍:样品材料为GH4169镍基高温合金,主要应用在航空航天发动机零部件,在较高温度下服役。本样品为采用粉末材料,用激光3D打印技术制备的镍基高温合金中出现的气孔形貌。图为3D打印镍基合金截面的SEM图片,微观组织为定向生长的柱状枝晶,形似茂密修长的竹林。茂林修竹,势如破竹,比喻节节胜利,毫无阻碍。“咬定青山不放松,立根原在破岩中。千磨万击还坚劲,任尔东西南北风。” 竹子精神是感物喻志的象征,也是喻物诗和文人画作中最常见的题材;它表现着自强不息、顶天立地的精神;清华其外、澹泊其中、清雅脱俗、不作媚世之态。

【编号52作品名称:蟾宫折桂 作者:张阳】仪器:扫描电镜Sigma 300
作品介绍:样品材料为GH4169镍基高温合金,主要应用在航空航天发动机零部件。本样品采用粉末材料,用激光3D打印技术制备的镍基高温合金中出现的气孔形貌。金相制备过程中由于气孔造成截面凹陷加大了金相腐蚀的难度。蟾宫折桂,攀折月宫桂花,引申为获得很大的成就或很高的荣誉。图为3D打印技术制备的镍基高温合金中气孔,微观组织为柱状枝晶,在气孔内是柱状枝晶截面,形似一片片月桂树叶,而气孔像月亮一样。早在嫦娥奔月与吴刚伐桂之前,月亮中有桂树的神话就已经在古代中国流传。吴刚伐桂,是我国家喻户晓的一个神话故事。月桂,月月开花。古人之所以把月和桂联系在一起,主要源自月桂树花开花落的周期,与月亮阴晴圆缺的周期相同,由此联想而起。

【编号53品名称:霸王龙 作者:刘子薇、刘德志】仪器:透射电镜JEM-2100 plus
作品介绍:上转换纳米粒子,组装体很像霸王龙。

【编号54作品名称:微丛林 作者:王静贤】仪器:扫描电镜JSM-7800F
作品介绍:该样品为使用JSM-7800F热场发射扫描电子显微镜拍摄的放大10000倍的MOF衍生一维Co@C阵列。样品由生长在碳布上的一维金属有机框架材料在Ar中800℃保温得到,高温后的样品保留了MOF的一维结构,得益于其独特的棒状结构而具有较多的活性位点,该样品可以整体用作水分解过程中HER及OER的催化剂。在原图基础上进行了渲染着色,图片整体如同生长在海底丛林中的植株,展示了微观世界的生命力,命名为微丛林十分符合。

【编号55作品名称:星辰涟漪 作者:陈志坚、陈伟光】仪器:激光扫描共聚焦显微镜Nikon Air
作品介绍:室温磷光材料因其独特的发光性能,在光电器件、生物成像、化学传感、信息防伪等领域有广阔的应用前景。所合成室温磷光材料,磷光寿命长、动态可调、可大面积制备。

【编号56作品名称:扎根泥土的“百财” 作者:戴宁、石国华】仪器:扫描电镜Sigma 300
作品介绍:本样品为应用于电化学传感器领域的复合材料,其优势在于大比表面积和高电子传输能力,以此提高电化学传感器的检测性能。该样品的制备过程为水热反应24 h后回流4 h,再经过高温热处理2 h,最终制备完成。整体形貌为排列叠放的纳米片,进一步放大后可看到薄的的小纳米片原位生长在大的纳米片上(如图)。将其中一部分上色进行艺术化,取名为扎根泥土的“百财”(白菜)。

【编号57作品名称:蜂巢 作者:刘秋君】仪器:扫描电镜Sigma 300
作品介绍:在熵增的世界中寻找秩序,两亲性分子刷聚合物自组装获得有序结构如蜂巢。照片拍照难度在于聚苯乙烯-b-聚乙二醇的高分子样品在电子束连续扫描下易分解,需要低电压操作迅速。

【编号58作品名称:彩贝 作者:白易明、闫思炜】仪器:扫描电镜Sigma 300
作品介绍:粉色的沙滩上分布着五颜六色的彩贝。外壳上布满了条纹,大的,小的,形状千奇百怪。有的像一把小扇子,有的像一枚螺丝,有的像一个茂盛的珊瑚,可爱极了。样品是利用电沉积技术得到具有纹理的贝壳状Cu金属结构。

【编号59作品名称:扇贝 作者:白易明、陈镇南】仪器:扫描电镜Sigma 300
作品介绍:扇贝的贝壳位于图片左下角,占据了图片的2/3位置。扇贝表面纹理十分清晰,仅仅露出一角便让人对其中美味的的贝肉充满了遐想。需精准调控合成和环境参数,确保扇贝表面积增大和细晶化。

【编号60作品名称:鱼 作者:吉鑫、高宝祺】仪器:扫描电镜JSM-7800F
作品介绍:照片样品材料为X80管线钢,具有韧性好、强度高的特点,主要作为油气管道使用,在长距离、高压力等恶劣条件下有良好的服役能力,应用于冀宁联络线、西气东输二线等工程中。

【编号61作品名称:心 作者:吉鑫、高宝祺】仪器:扫描电镜JSM-7800F
作品介绍:照片样品材料为X80管线钢,具有韧性好、强度高的特点,主要作为油气管道使用,在长距离、高压力等恶劣条件下有良好的服役能力,应用于冀宁联络线、西气东输二线等工程中。制样过程中需保证样品表面平整,拍照过程中需保证组织清晰,亮度和对比度适宜。后期对照片进行了着色处理,将组织心形区域、析出物和其他区域进行染色。

【编号62 作品名称:星河入梦 作者:高永康、黄俊伟 】仪器:扫描电镜sigma 300
作品介绍:原图为焊缝余高AZ31B镁合金处的SEM图片,镁合金为密排六方组织,因此焊缝等轴晶呈现六次对称。醉后不知天在水,满船清梦压星河。一片星光璀璨的世界,似幻似真、缥缈迷离,遥迢星河入梦来。

【编号63作品名称:冰与火的生命 作者:刘何子祺】仪器:扫描电镜Sigma 300
作品介绍:本样品为工蚁口器,不导电且含水量大,扫描电镜拍摄极易产生放电现象,为尽量保持原貌未做喷金或喷碳处理,仅通过调节电镜参数获得清晰的图像。工蚁主要职责是建造和扩大巢穴、采集食物、饲喂幼虫及蚁后等,因此上颚很发达,下颚较小,用于咀嚼。上颚及纤毛部分用红色染色,形似火苗;下颚以蓝色染色,仿佛冰雕,形成冰与火的对比。中心部分形似心脏,以绿色装饰,象征生命。

【编号64作品名称:只此青绿 作者:张则予、胡心卓】仪器:扫描电镜Sigma 300
作品介绍:我们采用直流电沉积法,可控制备出纳米颗粒堆砌组成的多孔Cu基空腔结构,合成十分困难。此类结构起到的限域效应,在CRR中具有良好的应用前景。在样品的拍摄过程中,样品的空腔结构会产生较大的景深,接触面积小导致导电性较差;兼顾景深的同时看到清晰的纳米颗粒,对电镜和拍摄手法有很高的要求。

【编号65 作品名称:万家灯火 作者:王子瑄 】仪器:激光扫描共聚焦显微镜Nikon Air+
作品介绍:多肽因其高生物相容性被广泛用作药物递送的载体。本作品使用的多肽可以在递送基因药物的同时在癌细胞表面选择性的形成膜来杀死癌细胞。图片为经过多肽处理,活死染色后的癌细胞图片。因为本作品设计的多肽具有特殊的成膜和结晶性质,导致其在细胞表明形成和独特的膜状结构和散射性条纹,这是需要控制多肽的序列、浓度以及反应时间等多种条件得到的创新性结果。本作品通过材料学院的激光扫描共聚焦显微镜拍摄。本作品未添加任和艺术处理。

【编号66作品名称:太空 作者:万启航】仪器:透射电镜JEM-2100F
作品介绍:在硅基底上溅射沉积金和锗,用过氧化氢刻蚀后得到纳米多孔金结构,然后用氢氟酸使硅片上的薄膜脱落到碳网上,用透射电镜观察。用作电极电传感检测有毒小分子物质。拍摄的衍射斑纹给我一种太空不同轨道的星系感觉,所以创作了一种太空感觉的风格。

【编号67作品名称:金色沙滩 作者:张阳】仪器:扫描电镜Sigma 300
作品介绍:样品材料为GH4169镍基高温合金,主要应用在航空航天发动机零部件。本样品为采用粉末材料用激光3D打印技术制备的镍基高温合金拉伸试样,在650℃下拉伸断裂之后的断口形貌。图为3D打印镍基合金拉伸试样断口的SEM图片,断口为韧性断裂,分布着大量的韧窝。大量的韧窝纹路形似海浪,断口表面有凸起,形似海岸沙滩分界线。整个表面像金色的沙滩和蓝色的海水波纹,在阳光的照射下,水面波光粼粼,沙滩金色耀眼。夏天伴随着灿烂的阳光和强烈的旅游欲望而来,把我们所有人都吸引到美丽海岸的某个地方,也许是一望无际的金色沙滩。“我好想带你去海边,去看那浪花一串串,等到岁月慢慢老去。”

【编号68作品名称:微观之美 作者:刘海】仪器:透射电镜JEM-ARM200F
作品介绍:材料为暴露高能晶面的八面体SnO2单晶,用于电催化CO2还原,助力实现“碳中和”。材料通过水热法合成,通过吸附剂控制晶面的定向生长,需严格控制温度、时间等才能合成具有完美几何构型的单晶。该样品为三维几何构型的纳米单晶,有序原子像中呈现出了明显的“台阶位”,彰显了有序与无序的统一,拍摄过程需要转动晶带轴以找到合适的拍摄取向,需要拍摄者具有十分丰富的材料学知识和操作经验,才能呈现材料的微观之美。

【编号69作品名称:层峦叠翠 作者:李乐】仪器:原子力显微镜AFM5500
作品介绍:氧化铝-碳纳米管阵列。锂金属负极的体积变化是实现金属锂电池实际应用需克服的障碍。氧化铝-碳纳米管阵列可以有效降低局部电流密度、缓解锂在充放电过程的体积膨胀。利用原子层沉积法,实现氧化铝在阵列内的均匀沉积。难度点:材料顶部仍应满足均匀的高度差,证实沉积后样品结构的稳定性。艺术处理:样品三维图显示出均匀的高度差,展现出重峦叠翠的景象。

【编号70作品名称:绿野逢春 作者:刘盼梅、马硕】仪器:扫描电镜Sigma 300
作品介绍:结合能谱观察到的Ag-MgO薄膜材料。该材料利用磁控溅射的方法在二氧化硅基底上溅射Ag和MgO,形成的结构为非晶固溶体材料的发展和应用提供了新路径。通过Photoshop软件进行锐化、调色、叠加等处理,Ag-MgO薄膜如同春意盎然的田野,满眼皆是绿色,充满了勃勃生机,表面析出的星星点点银颗粒被渲染成红色,如同一朵朵点缀的花朵,预示着春天的到来。

【编号71作品名称:曲奇饼干 作者:杜坤】仪器:透射电镜JEM-2100F
作品介绍:本样品在气相还原多孔纳米片的过程中,观察到非常有趣的实验现象:纳米片的孔处优先析出金属颗粒,就像曲奇饼干上的巧克力豆,且在金属析出的过程中,孔的边角变得非常规则。此作品将有趣的实验现象呈现给大家,科研充满新奇,以待大家怀着一颗“求实”心去慢慢探索。

【编号72作品名称:深海鲸鱼 作者:马硕、刘盼梅】仪器:扫描电镜Sigma 300
作品介绍:观察到的Cu基非晶合金表面上的氧化铜颗粒。该材料作为成熟的非晶合金体系,对于研究非晶表面耐腐蚀性具备启示意义。由于氧化物导电性较差,因此需要低电压拍摄;同时因为颗粒高低起伏较大,需要选择相对平整的区域拍摄。通过Photoshop软件进行调色、着色等处理,将氧化物的形状勾勒出被圈在深海里的鲸鱼形象。即使在深海的黑暗中,仍然有一束月光在为我们照亮前行的路,哪怕被困于囹圄,也依然可以向往光明。

【编号73作品名称:火云满山凝水晶 作者:马硕、刘盼梅】仪器:扫描电镜Sigma 300
作品介绍:观察到的难熔高熵合金表面氧化物形貌。该条状氧化物形态与常规热处理方法得到的表面氧化物形貌存在较大差异,这对于高熵合金表面氧化物的机理探究和调控生长具备潜在的指导意义。由于条状氧化物不在一个平面内,因此拍摄的难点在于寻找到合适的位置缓慢聚焦。通过Photoshop软件进行调色、着色等处理,将表面氧化物的沟壑“描绘”成火云水晶之象。作品名化用岑参的《火山云歌送别》中的诗句,堆叠的氧化物被中间的裂缝分割开来,透过裂缝可以看到内部的晶体在红色调的渲染下仿佛火云满山凝结漫天水晶的景象。

【编号74作品名称:梦幻水母 作者:陈媛媛】仪器:扫描电镜S-4800
作品介绍:可控热核聚变能是满足未来人类需求的最有前景的能源之一。高质量铜膜的制备是高强度连接面向等离子体材料和热沉材料的关键。利用材料学院扫描电子显微镜(s4800)对无氰电镀及高纯度氢气退火后的铜膜的微观结构进行表征。发现表面会有类似水母的细晶析出相钉扎基体。艺术处理后,析出物之于基体就像深海中孕育了很多形态各异的小水母。万物同源,材料的微观世界就像梦幻的海底世界一样精彩!

【编号75作品名称:小狗追逐瓢虫 作者:马硕、刘盼梅】仪器:光学显微镜
作品介绍:本作品为光学显微镜观察到的Al-Zr体系合金表面晶态复合氧化物((Al,Zr)oxide),阐明其氧化机理对于指导铝合金表面氧化物的生长和调控具备重要意义。由于样品表面不平整和氧化物随机取向生长,所以在低倍的光镜下拍摄时图片边缘会虚化,所以要找到合适位置并精准调节物镜。通过Photoshop软件进行调色、着色等处理,将错从复杂的晶界“描绘”了一只憨态可掬的小狗在追逐瓢虫的形象。

【编号76作品名称:戏蝶的小熊 作者:张景超、罗佳薇】仪器:透射电镜JEM F200
作品介绍:材料为锂离子电池中的磷酸铁锂正极材料。锂离子电池作为最环保,能量密度很高的能量存储与转化装置,正在改变人们的生活。磷酸铁锂作为应用最广泛的锂离子电池正极材料,在市场上具有重大的份额,是国内新能源电动汽车最多使用的正极材料。磷酸铁锂正极材料一般做成纳米级别的颗粒,而采用特殊方法制备的的几十纳米的大的小熊颗粒有可能为探究磷酸铁锂尺寸大小对锂离子传输动力学的影响提供材料与思路。在繁忙的科研生活中,突然出现的小熊为我们的科研生活增加了一抹轻松的色彩,如同在春光中的清风拂面。微观的世界仿佛带我们穿越千年,回到诗圣杜甫留下千古绝句的那个春日“留连戏蝶时时舞,自在娇莺恰恰啼”,告诉我们,学习生活虽然有些累,但是处处充满美好。

【编号77作品名称:海葡萄 作者:卢琪】仪器:扫描电镜JSM-7800F
作品介绍:多孔碳纳米纤维-SEM图片,通过静电纺丝制备的多孔碳纳米纤维用JSM-7800F扫描电子显微镜拍摄,然后用Photoshop对纤维体进行上色美化处理。

【编号78作品名称:麻婆豆腐 作者:李士成】仪器:扫描电镜S-4800
作品介绍:Ni3Al基合金中,呈立方体状的γ′相。随着先进航空发动机推力的不断提升,燃烧室的工作温度不断增加,发动机的结构日趋复杂,重量问题也日益突出。因此,研发承温能力更好、密度更低、比强度较高的新型高温结构材料,用以部分替代航空发动机热端部件用 Ni基高温合金,已成为亟需解决的问题。近年来,具有更高γ′相体积分数且不含贵合金元素的 Ni3Al基合金,因其承温能力可达 1100 ℃以上,同时密度较低(7.5 ~ 8.0 g/cm3),被认为是可应用于先进航空发动机的新一代备选高温结构材料之一。

【编号79作品名称:蜿蜒交织的公路 作者:李华敏】仪器:透射电镜JEM-2100F
作品介绍:图中展示了合成的超细纳米金线,可应用于催化、传感等领域。超细金线的合成对反应环境十分敏感,通过对反应温度、溶剂及时间的调控成功合成了直径仅有约2 nm的金线。我们对原图进行了PS着色处理,将其勾勒成蜿蜒交织的公路。

【编号80作品名称:彩虹条带 作者:卢琪】仪器:扫描电镜JSM-7800F
作品介绍:商用碳布用JSM-7800F扫描电子显微镜拍摄,然后用Photoshop对纤维体进行上色美化处理。

【编号81作品名称:跌倒了,我不怕 作者:吕文萱】仪器:扫描电镜Sigma 300
作品介绍:材料为利用激光直写制备的NiFeMo LDH用于电催化反应。样品制备出多以纳米薄片的形式存在,少数以球的形式存在,而这种两个球相互嵌在一起更是难得,拍摄时觉得形貌酷似摔倒的小鸡,觉得有趣便记录下来。该图在原图的基础上并无添加和改动,只是进行了颜色的渲染。选择这张图,其实也是为了激励自己和周围的科研人们,科研道路上“跌倒了”是常有的事,真正值得我们自豪的不是从未“跌倒”,而是“跌倒”后还可以爬起来。

参赛图

原图
【编号82 作品名称:Z型钢丝 作者:张帆、余振超】仪器:扫描电镜SU1510
作品介绍:为探究Z型钢丝在不同腐蚀时长下蚀坑大小的区别,研究其破坏机理,进行了不同规格、不同腐蚀时长的Z型钢丝电镜扫描。在样品制备过程中,钢丝原始跨度较长,需要利用角磨机进行打断,并保持断口的相对平滑。在电镜扫描过程中,同一断口的腐蚀点较多,且大小不均、分布面广,需分析不同腐蚀点对Z型钢丝破坏的贡献度。

【编号83作品名称:珊瑚礁上的海葵 作者:卢琪】仪器:扫描电镜JSM-7800F
作品介绍:合成的Co(OH)2用JSM-7800F扫描电子显微镜拍摄,然后用Photoshop对其进行上色美化处理。

【编号84作品名称:孪晶之美 作者:杜坤】仪器:透射电镜JEM-ARM200F
作品介绍:本样品采用高温离子交换方法,通过精确控制生长条件,原子在高真空且高温的条件下,通过滑移诱导合成均匀的孪晶结构。孪晶由于其独特的结构特点,在光/电催化领域表现出较高的活性,合成该结构的材料非常有研究意义。此作品的重点在于非常清晰的拍摄出孪晶电镜图,有助于大家更好的了解孪晶结构。

【编号85作品名称:五彩斑斓的石头 作者:李乐 】仪器:透射电镜JEM-2100F
作品介绍:氧化铝包覆四氧化三铁纳米颗粒,三维基体上生长高有序度碳纳米管阵列可以作为优良电极材料应用于锂、钠、钾离子电池。然而传统电子束蒸发镀膜法沉积用于生长碳纳米管阵列的催化剂,难以实现其在三维基体上的均匀负载。本实验制备的均匀分散的氧化铝包覆四氧化三铁催化剂能够实现在三维基体上的均匀负载,并在基体上生长高有序度碳纳米管阵列。难度点:氧化铝包覆四氧化三铁纳米颗粒应满足粒径均匀、高面密度,以实现高有序度碳纳米管阵列的生长。

【编号86作品名称:行列的冲突 作者:白翔仁】仪器:透射电镜JEM-2100F
作品介绍:以下图片为铝基复合材料的高分辨TEM图片。左图为纳米晶粒内部的氧化镁颗粒在高温后界面debonding的图片,对样品铝的一个纳米晶粒(图1-1)进行双倾转到铝 [110] 晶带轴后拍摄所得,氧化镁颗粒直径约5 nm,在部分debond后,仅有一个晶面仍保持结合。右图为3D打印纳米晶须增强铝基复合材料的同一个晶粒的高分辨TEM图片,对样品铝的一个晶粒进行双倾转到铝 [110] 晶带轴后拍摄所得,晶须完全在单个晶粒内部,宽约10 nm。

【编号87作品名称:火蝴蝶 作者:白珊】仪器:激光扫描共聚焦显微镜Nikon Air
作品说明:此图片拍摄于本学院共聚焦激光扫描显微镜(CLSM,尼康A1R+)。所展示的内容为成纤维细胞在电纺纤维膜(主要应用于血管组织工程领域)表面培养一定时间后的活死染色结果,其中绿色表示活细胞,红色表示死细胞,而将二者叠加便可得到橘色,如图片中所示。通过一系列调节图片拍摄时的Laser和HV值,以及后期的图片亮度和对比度,获得了此作品中的热情奔放的色调。由于颜色交错,原图中隐约勾勒出了蝴蝶的轮廓,作者加以些许的色彩调整,描绘出了本幅热情似火的蝴蝶图案。火蝴蝶:人海茫茫,山山而川,走过平湖烟雨,跨过岁月山河,浴火重生,破茧成蝶,终不负青春与韶华。

【编号88作品名称:夏日海浪 作者:罗子怡、江浩然】仪器:透射电镜JEM-2100F
作品说明:样品为氯化铜作为前驱体,使用高温热冲击法在碳布上合成的铜纳米颗粒。那个因疫情被封校的夏天里,在实验室中偶遇了海浪。

【编号89作品名称:海底CMAS 作者:孟凡威】仪器:扫描电镜JSM-7800F
作品说明:为开发新一代航空发动机热障涂层材料,所设计的稀土铪酸盐(La0.2Nd0.2Sm0.2Eu0.2Gd0.2)2Hf2O7高熵陶瓷材料。烧结工艺为自行设计并搭建的超快高温烧结(UHS)设备。该参赛作品为该稀土铪酸盐高熵陶瓷经高温CMAS(高温下,航空发动机表面沉积的腐蚀熔融盐,成分33CaO-9MgO-13AlO1.5-45SiO2)腐蚀1300℃ 5小时后的截面形貌BSE图像。制备样品时,首先用样品夹将样品夹稳放置在镶样模具的底部,进行镶样操作。然后将镶好的样品进行磨平、抛光后,将样品浸泡在丙酮溶液中脱去固态树脂,获得具有光滑平整截面的样品。图片拍照难度在于由于腐蚀产物多样、细小,在电镜下通过BSE -D模式进行拍摄,画面清晰整洁,表现效果好。深邃的海底就像无穷的知识海洋,需要每一位科研人脚踏实地、专心探索,为祖国的蓬勃发展贡献自己的一份科研力量。

【编号90作品名称:希望 作者:孟凡威】仪器:扫描电镜JSM-7800F
作品说明:为开发新一代航空发动机热障涂层材料,所设计的稀土铪酸盐(Y0.2Dy0.2Er0.2Tm0.2Yb0.2)4Hf3O12高熵陶瓷材料。烧结工艺为自行设计并搭建的超快高温烧结(UHS)设备。该参赛作品为高熵陶瓷高温CMAS(高温下,航空发动机表面沉积的腐蚀熔融盐,成分33CaO-9MgO-13AlO1.5-45SiO2)腐蚀后的截面形貌BSE图像。首先,用样品夹将样品夹稳放置在镶样模具的底部,进行镶样操作。然后将镶好的样品进行磨平、抛光后,将样品浸泡在丙酮溶液中脱去固态树脂,获得具有光滑平整截面的样品。在电镜下通过BSE-D模式进行拍摄,画面光洁、清晰,表现效果优于SEM模式。后期对图片进行上色,并加入动态效果,制成GIF图片,使其更加明媚、生动、饱满!借此机会祝福科研路上的伙伴们:厚植土壤,学以致用,思想和智慧迸射出的光,一定会刺破未知的黑暗!
【编号91作品名称:生命的奥秘 作者:李学平 】仪器:激光扫描共聚焦显微镜Nikon Air
作品说明:材料为间充质干细胞/巨噬细胞。

【编号92 作者:蔚欢 】仪器:激光扫描共聚焦显微镜Nikon Air
作品说明:当我着眼微观,看到了和仰望夜空时同样的景象。一颗彗星划入绿色的星河,繁星都为它的慧尾所吸引。而你闯入我的世界时,我的心也为你所牵动。

【编号93作品名称:氧化锌纳米“花” 作者:赵君 】仪器:扫描电镜S-4800
作品介绍:在样品制备过程中改变添加剂NaF的浓度会改变氧化锌纳米面的结合,呈现不同形貌的氧化锌纳米“花”结构。

【编号94作品名称:六棱柱-氧化锌 作者:赵君 】仪器:扫描电镜S-4800
作品介绍:通过改变样品制备过程中需要的生长基底,可以诱导制备出不同面貌的氧化锌纳米结构。

【编号95 作品名称:哇 作者:韩春艳】仪器:扫描电镜S-4800
作品介绍:图为商用钼粉和实验室化学合成铜粉混合粉末的扫描电镜照片;后期是将这些颗粒做了轮廓的素描处理,只看图一,你可能很难想象到他们是由这么多小的颗粒组成,轮廓和线条就像是材料的宏观结构,繁琐复杂,令人头疼;但在电镜下,一切都豁然开朗,棱角分明。相信第一次拍摄扫描的人,无一例外,一定会被材料有趣的形貌所惊叹,发出“哇”的尖叫!

【编号96 作品名称:东海参会。作者:赵而玲 】仪器:扫描电镜S-4800
作品介绍:原图显示是在FTO上首先生长ZnSe纳米棒,然后通过水热法原位分级生长ZnTe纳米线形成紧密结合的p-n异质结,异质结的存在形成了内部电场区,促进了光载流子的分离,大大提高光催化性能。扫面电镜下的分级纳米材料犹如东海的海参相会,有诗为证:东溟千里,海错缤纷,其中宝物,名曰海参。

【编号97 作品名称:母鸡筑巢。作者:赵而玲 】仪器:扫描电镜S-4800
作品介绍:原图显示是在Si片上直接CVD法生长ZnSe纳米材料,其制备过程中需要通入N2和Ar两种惰性气体,并需要1000℃的高温生长。两种惰性气体的比例及流量对生长结果都有很大的影响,这是在探究实验条件过程中制备的样品,不合适的实验条件导致合成的纳米材料有多种形态,包括纳米线、纳米块和纳米颗粒。“咕咕”!这是什么声音?原来是一只母鸡在叫,它的叫声为什么这么急促?原来是受到了惊吓,走近一看,在一个堆满石头的旁边有一些散落的树枝和树叶,看来她是在忙着筑巢呢?据说,筑巢性是母鸡为了繁殖后代的一种本能,让我们一起期待新生命的到来吧!

【编号98作品名称:送你一颗小红心。作者:唐玉素、刘哲栋 】仪器:扫描电镜JSM-7800F
作品介绍:样品材料为镍钴锰酸锂,用于锂离子电池正极材料。样品制备过程的难度是将前驱体氢氧化物与锂源氢氧化锂进行高温固相烧结。样品为爱心图样,经过上色处理,灰色爱心变成粉色爱心,更显活力,疫情期间见证了许多人间大爱,也见证了同学们封校期间努力科研的不易,小红心送给每一个默默努力,默默奉献的人。

【编号99作品名称:珊瑚 作者:史子峥】仪器:扫描电镜S-4800
作品介绍: Cu电极因其优良的导电性和延展性,经常被用于电池的基底。本张图片创造性的WEDM法对电极表面进行加工,使其表面产生裂缝和小颗粒,增大Cu的比表面积,提升其活性。由WEDM表面U币不是很平整,要想看清表面的小颗粒分布和裂纹,需要挑选相对平整的位置与调节焦距。所以为其添加了海水的效果,并为表面上了橙色,美丽的珊瑚虫表面就完成了。

【编号100作品名称:美人鱼 作者:邵家骏】仪器:扫描电镜 Sigma 300
作品介绍:图片为X65应力腐蚀开裂主裂纹扩展路径形貌。X65在含H2S的环境下进行应力腐蚀开裂试验,拍摄的是其主裂纹扩展路径形貌,在主裂纹附近同时存在较大的二次裂纹,这表明该试样具有较高的应力腐蚀开裂敏感性。藏在海底深处的美丽人鱼,为了追求她的宝藏,无视诅咒的束缚,冲破了层层桎梏,现身于海浪之上;她倔强地伸出手,只愿留住心底最后的珍贵,纵使化为泡沫,散于光中,也在所不惜。

【编号101作品名称:独角兽 作者:李亚静】仪器:透射电镜JEM-2100F
作品介绍:将盐溶液滴在pH恒定为13的氢氧化钾中制备得到氢氧化物前驱体,然后通过20A焦耳加热得到金属氧化物。通过透射电子显微镜拍摄的STEM图片,整体仿佛一个独角兽。

【编号102作品名称:雪中花花 作者:李亚静 梁景哲】仪器:扫描电镜JSM-7800F
作品介绍:将水乙醇氨水混合搅拌,随后加入TEOS水解生成SiO2,再直接加入盐酸多巴胺在SiO2表面原位聚合生成聚多巴胺(PDA),抽滤干燥。随后将前驱体在800℃热解后用HF刻蚀SiO2得到球壳。制备过程需要多步反应,实验较为复杂。掉落在雪中的一朵小花,虽然缺失了一朵花瓣,但是依然是雪中最娇艳的颜色。

【编号103作品名称:蓝白沟壑微米棒作者:曹利生 王硕】仪器:扫描电镜S-4800
作品介绍:超级电容器是一种新型的储能装置,具备充放电快、效率高、稳定性好等优点,是一种清洁的绿色能源,是21世纪的新型绿色能源。与传统电容器相比,它具有较大的容量、比能量或能力密度,较宽的工作温度范围和极长的使用寿命;而与蓄电池相比,它又具有较高的比功率,且对环境无污染。发展新型超级电容器电极材料,具有较大的容量、比能量。通过调整对比度和上色PS处理,对微米棒进一步修饰,体现其立体感和美观。

【编号104作品名称:也作牡丹 作者:王静贤】仪器:扫描电镜 JSM-7800F
作品介绍:该样品为JSM-7800F热场发射扫描电子显微镜拍摄的放大10000倍的二维片状金属掺杂碳结构。该样品由Zn/Co-ZIF高温煅烧得到,作为目标样品的中间产品存在,后续需要进一步处理得到碳负载贵金属用于HER催化。在原图基础上进行了渲染着色,使得本该是没有生命的纳米片团簇起来变成了花朵,与纳米片上好似露珠一般的颗粒相得益彰,揭开微观世界惊艳的一角。将其命名为“也作牡丹”,意为即使在微观的世界里也会有花朵一样美好的景色。

【编号105作品名称:腊梅 作者:胡瑾】仪器:扫描电镜 S-4800
作品介绍:采用水热法制备了泡沫镍上负载的Ni-Zn-S用于电催化水分解。样品在制备过程中,需要通过调节温度和时间,寻找最佳的制备参数以达到最高的电催化性能。新颖性在于研究了Zn的掺杂对电催化剂形貌和性能的影响。棕色的泡沫镍像是梅花的树干,上面生长的一颗颗几微米的合金,像一朵朵鲜红的梅花。在寒冷的冬天,树叶还未见长出来几片,一朵朵鲜红的梅花却不畏寒冬,争先绽放,为败落稀零单调的寒冬,增添了闪亮的色彩。

【编号106作品名称:晴空樱花 作者:胡瑾】仪器:扫描电镜 S-4800
作品介绍:该样品是采用水热法制备的泡沫镍上负载的Ni-Zn-S,用于电催化水分解。样品在制备过程中,需要通过调节温度和时间,寻找最佳的制备参数以达到最高的电催化性能。新颖性在于研究了Zn的掺杂对电催化剂形貌和性能的影响。春暖花开,站在樱花树下,抬头仰望天空,樱花像一只粉色的蝴蝶在蔚蓝的天空下飞翔。泡沫镍像一棵树干,反应釜里的溶液像大地的养分,一直保持的溶液温度像太阳的光照,经历了十几个小时的保温,泡沫镍上不断的长出绽放的花朵。

【编号107作品名称:晨月相映星影空 作者:陈志坚、陈伟光】仪器:激光扫描共聚焦显微镜Nikon Air+
作品说明:室温磷光材料因其独特的发光性能,在光电器件、生物成像、化学传感、信息防伪等领域有广阔的应用前景。将磷光小分子在聚合物基体上分布相对均匀。所合成室温磷光材料,磷光寿命长、动态可调、可大面积制备。

【编号108作品名称:丘比特之箭 作者:肖立阳】仪器:透射电镜JEM-2100F
作品介绍:材料为镍钼合金纳米颗粒,应用于电催化领域。样品通过电沉积法合成,在乙醇中超声处理后将溶液滴到超薄微珊膜进行测试。测试过程中发现了其中一个纳米颗粒内有一个一箭穿心的图案。使用PS对图片进行了对比度清晰度等调节,并对图片进行上色。

【编号109作品名称:修勾勾 作者:肖立阳】仪器:透射电镜JEM-2100F
作品介绍:材料为镍钼合金纳米颗粒,应用于电催化领域。样品通过电沉积法合成,在乙醇中超声处理后将溶液滴到超薄微珊膜进行测试。测试过程中发现在样品周围有杂质,形状刚好像一只小狗狗。使用PS对图片进行了描边勾勒,并对图片进行上色。

【编号110作品名称:风中摇曳的山楂树 作者:金丽果、凌磊】仪器:扫描电镜S-4800
作品介绍:该样品是二硫化钼纳米花和金黄色葡萄球菌共培养后的冷场发射扫描电镜图像。用水热法在220 ℃反应24 h制备花状纳米级二硫化钼样品,将二硫化钼纳米花与金黄色葡萄球菌共培养,证明在黑暗条件下二硫化钼的抗菌性能。将样品进行戊二醛固定和不同浓度乙醇梯度脱水之后,用于扫描电子显微镜拍摄。《风中摇曳的山楂树》——寓意着坚强,任凭狂风大作,山楂树上的果实也在渐渐成熟。生活中总会充满意外和困难,迎难而上,总会收获成长。

【编号111作品名称:花开富贵 作者:金丽果】仪器:扫描电镜S-4800
作品介绍:该样品是二硫化钼纳米花的冷场发射扫描电镜图像。该样品主要用于生物医用、润滑剂和抗磨剂等。用水热法在220 ℃反应24 h制备花状纳米级二硫化钼样品,水热反应需要严格控制酸度、反应时间以及高温高压的条件,因为这会影响纳米花的成核效果。将水热反应制备得到的沉淀进行多次离心水洗,最后冷冻干燥制备得到样品。取适量的样品粘在导电胶上,用于扫描电子显微镜拍摄。《花开富贵》——寓意着珍贵,雍容华贵的花型,夹杂着淡淡的花香,格外招人喜爱,也让人们更加懂得珍惜。

【编号112作品名称:冲击试样中的细晶组织 作者:王虎】仪器:光学显微镜
作品介绍:该显微组织的取样位置为埋弧增材样品的冲击试样垂直于断口截面的附近位置。将冲击试样切取部分位置加工成金相试样,经 180#至2500#的水磨砂纸进行手工粗磨、细磨,经机械抛光至试样表面无明显划痕后使用浓度为 4%的硝酸酒精溶液进行腐蚀。该显微组织照片是使用OLYMPUS GX51 高级金相显微镜拍摄出来的,材料为低碳钢,具体的工艺为在Q345B低碳钢的基板上进行埋弧增材,填充的焊丝型号为AWS EM12K,得到成形良好的厚壁结构件,切开取冲击试样,此显微组织为冲击功较低的冲击试样中断口附近的细晶组织。

【编号113作品名称:SunShine作者:刘菲】仪器:扫描电镜JSM-7800F
作品说明:材料应用:以SnS作为模板进行单原子掺杂用于电催化还原二氧化碳产甲酸。材料创新:以In、Ag、Zn等金属原子原位代替Sn原子,不仅可以维持纳米花球的形貌,还有助于稳定电还原过程的S原子,有助于催化稳定性的提高。艺术创新:纳米花球在形貌上相似于太阳与花朵,且SunShine的英文也包含着SnS的缩写,意味着阳光普照花。作为作者的第一份科研工作也象征着博士生活迎来了一缕新的阳光。

【编号114 作品名称:一只花生壳 作者:张则予、胡心卓】仪器:扫描电镜 Sigma 300
作品说明:我们采用直流电沉积法,可控制备出纳米颗粒堆砌组成的多孔Cu基空腔结构,合成十分困难。此类结构起到的限域效应,在CRR中具有良好的应用前景。在样品的拍摄过程中,样品的空腔结构会产生较大的景深,接触面积小导致导电性较差;兼顾景深的同时看到清晰的纳米颗粒,对电镜和拍摄手法有很高的要求。有一只纳米花生,它的外壳被导电胶束缚住了……诶?为什么只有壳?谁吃了我的花生?

【编号115作品名称:O2搬运工 作者:唐玉素】仪器:扫描电镜 S-4800
作品介绍:氧化锆陶瓷呈白色,含杂质时呈黄色或灰色,不易分离。在结构陶瓷方面,由于氧化锆陶瓷具有高韧性、高抗弯强度和高耐磨性,优异的隔热性能,热膨胀系数接近于钢等优点,因此被广泛应用于结构陶瓷领域。在功能陶瓷方面,其优异的耐高温性能作为感应加热管、耐火材料、发热元件使用。氧化锆陶瓷具有敏感的电性能参数,主要应用于氧传感器、固体氧化物燃料电池高温发热体等领域。样品为中间有凹陷的椭球体,极似一颗红细胞,在人类血液中担任重要角色,时时刻刻为人体运送这氧气。

【编号116作品名称:夜暗星俞耀 作者:陈志坚、陈伟光】仪器:激光扫描共聚焦显微镜Nikon Air+
作品说明:室温磷光材料因其独特的发光性能,在光电器件、生物成像、化学传感、信息防伪等领域有广阔的应用前景。将磷光小分子在聚合物基体上分布相对均匀。所合成室温磷光材料,磷光寿命长、动态可调、可大面积制备。

【编号117作品名称:珊瑚海 作者:万启航】仪器:扫描电镜 Sigma 300
作品说明:在硅基地上溅射沉积金和锗,用过氧化氢刻蚀后得到纳米多孔金结构,用作电极电传感检测有毒小分子物质。在40k放大倍数下测得的扫描图。这些纳米多孔金的结构让我想起来海洋下珊瑚的样子,由此得到一个艺术创作的想法,用ps渲染成海底珊瑚的一种梦幻意象。

【编号118作品名称:彼岸花 作者:万启航】仪器:扫描电镜 Sigma 300
作品说明:在硅基地上溅射沉积金和锗,用过氧化氢刻蚀后得到纳米多孔金结构,用作电极电传感检测有毒小分子物质。在60k放大倍数下测得的扫描图。创作思路是纳米多孔金的韧带像花的纹路,由此创作了彼岸花的风格。

【编号119作品名称:海浪的吟唱 作者:戴宁、石国华】仪器:扫描电镜Sigma 300
作品说明:将其转换角度,如同海浪拍打沙滩,因此艺术化为 “海浪的吟唱”。

【编号120作品名称:杨柳依依 作者:眭思密】仪器:扫描电镜S-4800
作品介绍:钠离子电池电极材料。样品为溶剂热法制备的MoS2/CNTs复合薄膜。纳米花状的MoS2附着于CNTs外壁,单壁CNTs管束交织形成网络,层层网络重叠形成薄膜。昔我往矣,杨柳依依。含蓄的古人常以折柳寄情,表达告别与缅怀。图片中的碳纳米管束如同柳枝在风中摇曳,这一捧柳条表达了对未来和春天的向往。

【编号121作品名称:银河 作者:胡心卓】仪器:扫描电镜Sigma 300
作品说明:样品为铜银合金块体,仅通过强烈塑性变形和金属流动获得(搅拌摩擦处理);希望实现不固溶金属的混合,协同催化电解水产氢过程。图为背散射电子图像,银原子序数大于铜,显示为更明亮的部分;制备过程中银的流动状态被保留下来,与铜的结晶颗粒产生鲜明对比。图片后处理利用铜银的明暗差异,增强了银的流动感,故称为“银河”,喻为科研人的璀璨星空。

【编号122作品名称:沧海一粟 作者:眭思密】仪器:扫描电镜S-4800
作品介绍:钠离子电池电极材料。样品为溶剂热法制备的MoS2/CNTs复合薄膜。纳米花状的MoS2附着于CNTs外壁,单壁CNTs管束交织形成网络,层层网络重叠形成薄膜。 “寄蜉蝣于天地,渺沧海之一粟。”复合材料薄膜的边缘似汹涌的海浪,二硫化钼纳米花在其中沉浮。

【编号123作品名称:海洋 作者:吉鑫、高宝祺】仪器:扫描电镜JSM-7800F
作品说明:照片样品材料为X80管线钢,具有韧性好、强度高的特点,主要作为油气管道使用,在长距离、高压力等恶劣条件下有良好的服役能力,应用于冀宁联络线、西气东输二线等工程中。制样过程中需对断口进行超声清洗,拍照过程中需保证断口形貌清晰,亮度和对比度适宜。后期对照片进行了着色处理,将断口形貌处理成海洋的样子。

【编号124作品名称:坑底迷痕 作者:余振超】仪器:扫描电镜SU1510
作品介绍:样品材料为建筑工程领域常用的铸钢。样品为进行力学性能试验所制备的标准断口试件。断口形貌及其复杂,想要在其中找出具有一定美感的图片存在难度。本图片中,为突出图片中坑底的规则纹路,进行了光学处理。

【编号125作品名称:星空 作者:高梦圆】仪器:透射电镜JEM-2100 plus
作品介绍:材料是有机太阳能电池薄膜,样品制备是将薄膜材料旋涂至预先旋有水溶性层的玻璃基底上,将薄膜置于水中待水溶性层溶解,使用铜网将薄膜材料捞出,之后在高真空条件下除去水分,完成样品的制备。图片拍照较易,体现薄膜的纤维特征即可。

【编号126作品名称:双色海洋 作者:宋俊霖、杨欢】仪器:扫描电镜SU1510
作品介绍:样品材料为316L+20#双金属复合管。主要应用在油气运输领域。采取合适的浸蚀方法,对耐蚀性相差较大的两种金属进行浸蚀,同时保证界面两侧组织清晰可见。碳钢和不锈钢组成的的接界处就像是阿拉斯加海湾的双色海洋。在阿拉斯加海湾遇见双色海洋是很幸运的事情,希望在科研路途中遇到“双色海洋”能够带给我们无限好运,鼓励我们不断前行。
微观摄影大赛本科生作品展示
左图为参赛图,右图为原图。欢迎转发投票链接!
【编号1作品名称:荷 作者:纪康康、吴林迪】仪器:光学显微镜
作品介绍:球墨铸铁,是一种高强度的铸铁材料。常用于铸造对强度、韧性、耐磨性要求较高的零件。球墨中的一个个球状石墨宛如夏天池塘中宁静的荷,此图就如诗人卢照邻所描述的一般:一个个大小形状不一的荷在水中铺展开来,荷叶丛中鱼儿嬉戏,荷香四溢,充满意境。制样困难性:球墨铸铁通过球化和孕育处理得到球状石墨,在抛光过程中,球墨极易脱落导致拍摄组织不理想,同时球墨极易氧化,因此制样较为困难。

【编号2作品名称:仙鹤踏云 作者:李美志、刘沁哲】仪器:光学显微镜
作品介绍:聚丙烯的球晶结构,晶间缺陷,形似仙鹤群山,又如松枝兰草,构图详略,意境深远。近有鹤,立茂枝,俯理羽,仰而望三山。山际云环,近者大,远者视未明。青山异石嶙峋,兰草幽香,松柏甚茂,尽是一树茵。日透千里,驳在鹤身。鹤寿高枝,以卑枝,垂首亦不知所思,惟所白者烛于日光之下。正所谓,仙鹤踏松观璀璨,云绕玄天任自由。

【编号3作品名称:泛泛江汉萍 作者:闫玉升】仪器:扫描电镜 Sigma 300
作品介绍:X65在H2S环境下的腐蚀形貌,金属表面形成了均匀分布的Fe、S腐蚀产物以及微裂纹。泛泛江汉萍,飘荡永无根。浮萍是坦然的,它们将自身寄于清水、随风流荡,相聚相散皆是缘;可偏偏在这最坦然的浮萍之上,露出了淡淡粉红色的花,这是它们的心跳,是它们坦然面孔下的鲜活。

【编号4作品名称:蝴蝶星云 作者:李美志、刘沁哲】仪器:光学显微镜
作品介绍:聚丙烯的球晶结构,晶核的外部所生长的纹理犹如蝴蝶两翼,衬于星空之中,引人无限遐想。恒星是否在死后才展现它的美丽?恒星,在演化成白矮星前会抛出外层的气体,形成令人感动星云,并在数千年后渐渐地暗去。蝴蝶星云中心有一个气体盘面,两侧长着一对像翅膀的结构。在茫茫宇宙之中,璀璨如恒星也不过沧海一粟。在时间洪流之中,作为渺小的人类,何不燃烧生命的力量化作一缕轻蝶,探索世间万物,感悟广袤天地。

【编号5作品名称:城市的郊外 作者:宋培东】仪器:光学显微镜
作品介绍:在拍摄过程中捕捉到有一块黑色以及复杂形状的尖角,尖角内部颗粒繁多,形状复杂。周围分布有棕色的色块,周围混有粉色的组织,在偏振光的作用下组织呈现出斑斓的颜色。黑色尖角中分布的细小颗粒像是一座诚实的俯瞰图,各色各样的屋顶,建筑在俯瞰图中都缩成了一个个小点,周围平整的区域就像是城外的郊区,显得很平静。

【编号6作品名称:干裂的大地 作者:宋培东】仪器:光学显微镜
作品介绍:拍摄的黑云母组织切片中,灰色的裂纹象征着干枯的大地,龟裂又贫瘠的土地上寸草不生,一片枯萎的景象,这是紫色的河流就像是天河一样流经这片土地,在裂缝中逐渐扩散,滋养了这片土地,使这片干裂的土地重新焕发了生机。

【编号7作品名称:水中藻荇 作者:秦丛宇】仪器:扫描电镜 Sigma 300
作品介绍:图中为铜枝晶及银颗粒,该材料为利用电火花加工技术制备的铜基银单原子合金纳米材料,拟制备该材料以探究其可应用的催化领域并进行宏量生产,如:HER、CRR等,利用合金代替铂等贵金属以降低电催化成本,使其可应用于大规模生产制备。水中藻荇交横,盖竹柏影也。

【编号8作品名称:碎花 作者:亓明灏、吴梓熙】仪器:光学显微镜
作品介绍: 铁碳合金是重要的机械工程材料,根据不同的碳含量可分为铁、钢、铸铁。铁碳合金应用广泛,如生活中的炊具、餐具,以及工程中的钢筋、铸铁等。纯金属与单相合金的浸蚀是一个化学溶解过程,浸蚀后晶粒在垂直光线的照射下将显示出明暗不一的晶粒。通过调整色温亮度对比度,使微观形貌呈现碎花状,明暗相间,整齐有序,与现代潮流契合,体现出微观世界与宏观世界相通之美。

【编号9作品名称:紫罗兰 作者:亓明灏、吴梓熙】仪器:光学显微镜
作品介绍: 聚丙烯简称PP为五大通用塑料之一,可用作日用品如衣架、脸盆。也可用于汽车零件制造。不同尺寸的球晶对PP性能影响极大。将聚丙烯粒料置于240℃ 的石英载玻片上加热熔融,随后加压成膜保温。再将样品转入恒温烘箱中保温 10 分钟,随后自然冷却。操作因素对球晶大小的影响,过小时无法观测到具体球晶。通过调整色温亮度对比度,使微观形貌呈现紫罗兰般浪漫美丽的画面。

【编号10作品名称:角闪石 作者:刘云鹏】仪器:光学显微镜
作品介绍:本参赛作品为角闪石,是角闪石族矿物的总称,闪石族中一员,为镁、铁、钙、钠、铝等的硅酸盐或铝硅酸盐。单晶体比较常见,为长柱状,横切面为六边形。集合体常呈纤维状。绿黑色或黑色。玻璃光泽。发育平行柱状的两组解理,解理夹角为56°。作品在设备的帮助下,不同的晶系晶型有着不同的颜色,使作品的自然美与科技感相得益彰,大自然与科学得到碰撞,将作品美观性体现的淋漓尽致。

【编号11作品名称:角闪石 作者:姚宇晨】仪器:光学显微镜
作品介绍:本参赛作品为角闪石,一般为镁、铁、钙、钠、铝等的硅酸盐或铝硅酸盐。是分布很广的造岩矿物之一,常有完好的单晶体出现,呈柱状。角闪石具有一定的经济价值,是制造玉器等工艺品的矿物原料之一。在拍摄过程中,遇到了不少的难点,例如在视野中寻找稳定且美观的晶型图像,调试合适的放大比例,并对不同晶型进行了不同的上色处理,最终呈现出了最终的照片。该作品在清晰的放大比例下,为不同的晶系晶型呈现了不同的颜色,使得整个图片更加的清晰美观,体现了作品的自然性和美观性。
【编号12作品名称:黄铜微观组织作者:李悦然、吕凌云】仪器:光学显微镜
作品介绍:图为黄铜经退火后的微观组织在光学显微镜下的形貌。如图可见,黄铜的组织呈金色,形貌大而规整,呈现出独特的几何纹样。图片稍加了部分后期处理,主要是提升了图像的对比度和饱和度,使得图像更加清晰、完整,并提升部分观感体验。

【编号13作品名称:黑云母 作者:杨远】仪器:光学显微镜
作品介绍:本参赛作品样品材料为黑云母,是云母类矿物中的一种,为硅酸盐矿物,主要产于变质岩中,形状为板状、柱状。它被广泛应用在真石漆等装饰涂料中。在样品拍摄的过程中,存在着一些技术难点。例如如何调节合适的放大比例,以获得清晰的视野,如何在视野中寻找美观的晶型图像,并对其进行上色处理,以获得具有美感的样品图片。总而言之,本作品在合适的放大比例下拍摄,并通过上色处理对样品晶体进行了美化,使照片清晰而美观,从而体现了黑云母这一微观材料别致的美。

【编号14作品名称:月球上的灌木丛 作者:贾路辰】仪器:扫描电镜S-4800
作品介绍:p-DNB电极在0.5 M LiClO4 DME + 10% FEC电解液中放电,将电极片取出并拍摄扫描电子显微镜图像,以分析电化学反应机理。与不含FEC电解液放电图做对比,此图中的颗粒状物质为反应过程中产生的活性物质,说明在两种电解液中p-DNB电极的反应机理不同,需找到反应活性物质。

【编号15作品名称:避风的花 作者:闫玉升】仪器:扫描电镜 Sigma 300
作品介绍:X65应力腐蚀开裂整体裂纹形貌,在H2S环境下进行应力腐蚀开裂试验,试样表面受腐蚀的作用呈现出孔洞形貌,成为应力腐蚀开裂的裂纹源,同时断口形貌中呈现较多的脆性断裂特征。在寂静到有些许荒凉的星球,一朵本该骄傲绽放的花在风吹雨打下低下了头,孤独又无助地瑟缩在墙脚下,与风沙、荒草为伴;不知它有没有抬头看到过那盏为它而留的灯,不知它是不是在倔强地等待着属于它的“小王子”的归来。

【编号16作品名称:凤舞九天 作者:李美志、刘沁哲】仪器:光学显微镜
作品介绍:聚丙烯的球晶结构,晶体的外轮廓勾勒出一只浴火而飞的凤凰,栩栩如生。通过纷繁的色彩变幻,勾勒出凤舞九天的形象,傲然于天地之间,睥睨寰宇的气势喷薄而出。多彩的纹路好似上天的恩赐,炯炯有神的双眸犹如火焰喷张,部翻飞的羽毛张扬着生命的力量。

【编号17作品名称:干涸的土地 作者:刘雪】仪器:扫描电镜 Sigma 300
作品介绍:X65焊接接头腐蚀疲劳断口形貌。在含H2S的环境中,对X65焊接接头进行腐蚀疲劳试验,在H2S的腐蚀作用下,断口呈现出较多的二次裂纹,这表明H2S的腐蚀作用加速了X65焊接接头的疲劳断裂。烈日炎夏,河落海干,数公里土地干涸,只留下触目惊心的绝望;而一弯浅浅的清泉留在了裂土秃山中,水清若空;泉边破土而出的绿芽,象征着清泉为土地最后留下的希望。求木之长者,必固其根本;欲流之远者,必浚其泉源;水之可贵非一言可概之,愿我们每个人都能珍惜水源,为环境的保护尽一份心意。

【编号18作品名称:海底精灵 作者:刘雪】仪器:扫描电镜 Sigma 300
作品介绍:X65焊接接头腐蚀疲劳断口形貌;在含H2S的环境中,对X65焊接接头进行腐蚀疲劳试验,在H2S的腐蚀作用下,金属表面Fe溶解,与S2-结合形成了较多棒状的Fe、S腐蚀产物。

【编号19作品名称:45号钢-空冷 作者:翁晶晶、王翠】仪器:光学显微镜
作品介绍:45钢是一种优质碳素结构钢,硬度不高,易切削加工。广泛应用机床上的齿轮或中载的钻床变速器,但不适作高速或高负载齿轮。调节箱式电阻炉加热温度后恒温区保温,进行空冷(正火),然后依次进行磨制、抛光、浸蚀等工序,其中试样采用手磨,抛光在抛光机上进行。本样品使用CX40M金相显微镜拍摄放大倍数为×500和×100的图片,图中黑色部分为片状珠光体,白色部分为铁素体。图片进行曝光度、亮度、对比度等参数处理。

【编号20 作品名称:玫瑰荆棘 作者:秦丛宇】仪器:扫描电镜 Sigma 300
作品介绍:该材料为利用电火花加工技术制备的铜基银单原子合金纳米材料,拟制备该材料以探究其适用的催化领域并进行宏量生产,如:HER、CRR等,利用合金代替铂等贵金属以降低电催化成本,使其可应用于大规模生产制备。

【编号21作品名称:聚丙烯球晶 作者:宋培东】仪器:光学显微镜
作品介绍:将聚丙烯加热到熔融状态后随炉温进行冷却就可以得到聚丙烯球晶,但在实验过程中不慎混入了气泡,这些气泡在球晶中均匀稳定的存在,将聚丙烯球晶分割成了一个个小块。球晶呈现杂乱分布的特征。这些零散的球晶呈现朦胧的星空感,而这些气泡则像是在星空中飘零的星体,虽然无根可依,但也聚集在一起发光发热,宇宙演变的终极,大概也是这些星体的衰落,变为细小的暗物质,整个星空也变得沉寂。
![]()

【编号22作品名称:冰冷世界里你是我的唯一 作者:任钰杉、胡雪涵】
仪器:光学显微镜
作品介绍:T8钢是一种常见的优质碳素工具钢,用作有较高硬度和耐磨性要求的各种工具,如简单模子和冲头、切削金属的刀具,木工用的铣刀、斧、凿、锯,以及钳工装配工具、铆钉冲模等次要工具。本作品通过日本奥林巴斯生产的透射偏光显微镜,对T8钢试样放大500倍后进行拍照。创作后的作品有两颗“双向奔赴”的心与一个在云端观望的小精灵,意在表达:即使是在冰冷的钢铁世界中,在支离破碎的片状珠光体里,我们仍可以找到独属于彼此的温暖。

【编号23作品名称:新海岸 作者:刘雪】扫描电镜 Sigma 300
作品介绍:在含H2S的环境中,对X65焊接接头进行腐蚀疲劳试验,在H2S的腐蚀作用下,断口呈现出较多的二次裂纹,这表明H2S的腐蚀作用加速了X65焊接接头的疲劳断裂。烈日炎夏,河落海干,数公里土地干涸,只留下触目惊心的绝望;而一弯浅浅的清泉留在了裂土秃山中,水清若空;泉边破土而出的绿芽,象征着清泉为土地最后留下的希望。求木之长者,必固其根本;欲流之远者,必浚其泉源;水之可贵非一言可概之,愿我们每个人都能珍惜水源,为环境的保护尽一份心意。

【编号24作品名称:45号钢-炉冷 作者:翁晶晶、周行】仪器:光学显微镜
作品介绍:5钢是一种优质碳素结构钢,含碳量在0.4%-0.5%之间,硬度不高,易切削加工。广泛应用机床上的齿轮,或者是中载的钻床变速器,但不适作高速或者高负载的齿轮。调节箱式电阻炉加热温度后恒温区保温,进行炉冷(退火),然后依次进行磨制、抛光、浸蚀等工序,其中,试样采用手磨,抛光在抛光机上进行。本样品使用CX40M金相显微镜拍摄放大倍数为×500和×100的图片,图中黑色部分为片状珠光体,白色部分为铁素体。

【编号25作品名称:岁岁合欢 作者:杨欢】仪器:光学显微镜
作品说明:本参赛作品样品材料为聚丙烯球晶。在100℃保温冷却下制得的聚丙烯球晶生长界线分明,均匀成核。拍摄仪器:光学显微镜。一个一个生长的球晶像极了一朵一朵盛放的合欢花,合欢花寓意幸福美满,年年如意,岁岁合欢。希望我们的生活、学习、科研都能美美满满。